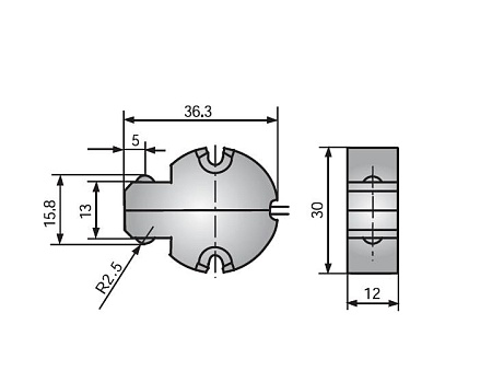
Замок ABLOY® EP303
Нужна консультация?
Наши специалисты ответят на любой интересующий вопрос
Задать вопрос
Электрическая запирающая единица для использования в системах электромеханического запирания.
Оснащен небольшим электродвигателем, который при поступлении импульса переводит детали в открытое или закрытое положение.
Запирание происходит при помощи шариков из закаленной стали.
- Рабочее напряжение – 6-12 В; • Нормальный ток – 240 мА;
- Минимальная длительность сигнала открывания – 0,4 сек;
- Корпус устройства: пассивированный цинк, запирающие шарики (2 шт.) из закалённой стали.
