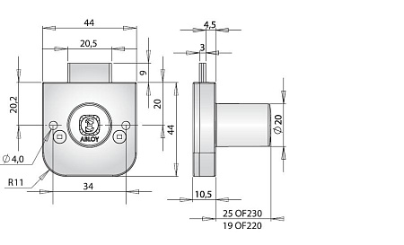
Замок ABLOY® OF230, ABLOY® OF220
Нужна консультация?
Наши специалисты ответят на любой интересующий вопрос
Задать вопрос
Врезной замок с прямым ригелем для офисной мебели, подходит для металлической или деревянной мебели (шкафчики для одежды, аптечки, ящики)
- Макс. толщина двери OF230 – 25 мм; OF220 – 19 мм;
- OF230 – цилиндры C, E и N с 11 дисками;
- OF220 – цилиндры C с 7 дисками;
- Гнездо цилиндра – хромированный цинк; ригель – никелированная сталь.
