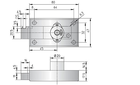
Замок ABLOY® SC210 (SC200)
Нужна консультация?
Наши специалисты ответят на любой интересующий вопрос
Задать вопрос
Замок повышенной надежности для запирания сейфовых ячеек и металлической мебели с высокими требованиями по надежности.
При механическом способе открывания замок открывается ключом клиента.
Возможен монтаж замка с электрической запорной планкой – в этом случае механическое открывание можно произвести только после освобождения электрической запорной планки.
Запирание только при помощи ключа.
- Цилиндр C или E с 11 дисками;
- Цилиндр из хромированного цинка;
- корпус замка и ригель из никелированной стали.
